分體式液壓千斤頂因其攜帶方便,堅固耐用,被工業領域廣泛使用。根據千斤頂復位方式,可以分為單作用/雙作用液壓千斤頂。飛耀秉承質量第一,服務至上的原則,一如既往的為廣大新老客戶提供高品質分體式千斤頂。
單作用液壓千斤頂
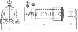
單作用液壓千斤頂具有廣泛的行程長度和舉升能力范圍,是維修,生產制造,建筑等作業的不錯選擇。所有的型號都有頸部螺紋,底部設計有安裝孔,使得配套安裝定位方便。
主要參數
- 承載能力
- 5~100T
- 工作行程
- 16~362mm
- 本體高度
- 41~493mm
單作用液壓千斤頂特點:
- 外環螺紋和底部安裝孔使得定位方便、安裝便捷;
- 活塞和油缸內壁鍍硬鉻,防止刮傷和腐蝕;
- 高溫烤漆,表面耐磨耐腐蝕及撞擊;
- 單作用設計,高強度彈簧復位,能加速活塞的回縮;
- 防塵密封圈可減少污染,延長液壓千斤頂使用壽命;
- 每個單作用千斤頂都有一個標準的3/8"接頭和防塵蓋。
- 頂部及柱塞底部均帶有合金導向環,可吸收偏載力及延長千斤頂的使用壽命。
單作用液壓千斤頂技術參數:

| 型 號 | 承載 能力 | 工作 行程B | 本體 高度A | 油缸 外徑D | 活塞桿外徑 | 底部安裝孔 | 外環螺紋 | 活塞 內螺紋 | 頂帽 直徑 mm | 工作 壓力 | |
| 距離 | 螺紋 | ||||||||||
| FY-RC-5T-16 | 5T | 16 | 41 | 58 | 25 | 28 | 1/4"-20UN | 70MPa | |||
| FY-RC-5T-25 | 5T | 25 | 110 | 42 | 25 | 25 | 1/4"-20UN | 1又1/2"-16 | 3/4"-16 | 24 | |
| FY-RC-5T-30 | 5T | 30 | 95 | 42 | 25 | ||||||
| FY-RC-5T-75 | 5T | 75 | 150 | 42 | 25 | ||||||
| FY-RC-5T-76 | 5T | 76 | 165 | 48 | 30 | 25 | 1/4"-20 | M48×1.5 | M16 | 25 | |
| FY-RC-5T-100 | 5T | 100 | 195 | 42 | 25 | ||||||
| FY-RC-5T-127 | 5T | 127 | 218 | 48 | 30 | 25 | 1/4"-20 | M48×1.5 | M16 | ||
| FY-RC-5T-127 | 5T | 127 | 214 | 42 | 25 | 25 | 1/4"-20UN | M42×1.5 | 3/4"-16 | 25 | |
| FY-RC-5T-178 | 5T | 178 | 273 | 48 | 30 | 25 | 1/4"-20UN | M48×1.5 | M16 | 25 | |
| FY-RC-5T-232 | 5T | 232 | 323 | 48 | 30 | 25 | 1/4"-20UN | M48×1.5 | M16 | 25 | |
| FY-RC-10T-25 | 10T | 25 | 90 | 57 | 37 | 39 | 5/16"-18 | 2又1/4"-14 | #10-24UN | ||
| FY-RC-10T-54 | 10T | 54 | 133 | 57 | 37 | 39 | 5/16"-18 | 2又1/4"-14 | M24 | 35 | |
| FY-RC-10T-55 | 10T | 55 | 120 | 57 | 37 | 39 | 5/16"-18 | 2又1/4"-14 | |||
| FY-RC-10T-83 | 10T | 83 | 150 | 57 | 37 | 39 | 5/16"-18 | 2又1/4"-14 | |||
| FY-RC-10T-54 | 10T | 54 | 121 | 57 | 37 | 39 | 5/16"-18 | 2又1/4"-14 | 1"-8 | 35 | |
| FY-RC-10T-105 | 10T | 105 | 174 | 57 | 37 | 39 | 5/16"-18 | 2又1/4"-14 | M24×1.5 | 35 | |
| FY-RC-10T-130 | 10T | 130 | 252 | 63 | 40 | 40 | 5/16"-18 | M24×1.5 | 35 | 50MPa | |
| FY-RC-10T-156 | 10T | 156 | 247 | 57 | 37 | 39 | 5/16"-18 | 2又1/4"-14 | M24 | 35 | 70MPa |
| FY-RC-10T-203 | 10T | 203 | 298 | 57 | 37 | 39 | 5/16"-18 | 2又1/4"-14 | 1"-8 | 35 | |
| FY-RC-10T-258 | 10T | 258 | 360 | 63 | 40 | 40 | 5/16"-18 | M24 | 35 | 50MPa | |
| FY-RC-10T-257 | 10T | 257 | 349 | 57 | 37 | 39 | 5/16"-18 | 2又1/4"-14 | 1"-8 | 35 | 70MPa |
| FY-RC-10T-304 | 10T | 304 | 400 | 57 | 37 | 39 | 5/16"-18 | 2又1/4"-14 | 1"-8 | 35 | |
| FY-RC-10T-356 | 10T | 356 | 450 | 57 | 37 | 39 | 5/16"-18 | 2又1/4"-14 | 1"-8 | 35 | |
| FY-RC-15T-25 | 15T | 25 | 124 | 70 | 46 | 47 | 3/8"-16 | 2又3/4"-16 | 1"-8 | 42 | |
| FY-RC-15T-41 | 15T | 41 | 159 | 70 | 45 | 47 | 3/8"-16 | ||||
| FY-RC-15T-60 | 15T | 60 | 140 | 70 | 46 | 47 | 3/8"-16 | 2又3/4"-16 | |||
| FY-RC-15T-51 | 15T | 51 | 149 | 70 | 46 | 47 | 3/8"-16 | 2又3/4"-16 | 1"-8 | 42 | |
| FY-RC-15T-102 | 15T | 102 | 221 | 70 | 46 | 47 | 3/8"-16 | 2又3/4"-16 | 1"-8 | 42 | |
| FY-RC-15T-120 | 15T | 120 | 231 | 70 | 46 | 47 | 3/8"-16 | 2又3/4"-16 | 1"-8 | 42 | |
| FY-RC-15T-152 | 15T | 152 | 271 | 70 | 46 | 47 | 3/8"-16 | 2又3/4"-16 | 1"-8 | 42 | |
| FY-RC-15T-203 | 15T | 203 | 322 | 70 | 46 | 47 | 3/8"-16 | 2又3/4"-16 | 1"-8 | 42 | |
| FY-RC-15T-254 | 15T | 254 | 373 | 70 | 46 | 47 | 3/8"-16 | 2又3/4"-16 | 1"-8 | 42 | |
| FY-RC-15T-305 | 15T | 305 | 423 | 70 | 46 | 47 | 3/8"-16 | 2又3/4"-16 | 1"-8 | 42 | |
| FY-RC-15T-356 | 15T | 356 | 474 | 70 | 46 | 47 | 3/8"-16 | 2又3/4"-16 | 1"-8 | 42 | |
| FY-RC-20T-70 | 20T | 70 | 150 | 92 | 50 | 39 | M6 | ||||
| FY-RC-20T-100 | 20T | 100 | 180 | 92 | 50 | 39 | M6 | ||||
| FY-RC-20T-100 | 20T | 100 | 214 | 80 | 54 | 54 | 1/2"-13 | 3又1/8"-16 | M24 | 42 | |
| FY-RC-25T-26 | 25T | 26 | 140 | 85 | 57 | 58 | 1/2"-13 | 3又5/16"-12 | 1又1/2"-16 | 50 | |
| FY-RC-25T-51 | 25T | 51 | 165 | 85 | 57 | 58 | 1/2"-13 | 3又5/16"-12 | 1又1/2"-16 | 50 | |
| FY-RC-25T-102 | 25T | 102 | 219 | 85 | 57 | 58 | 1/2"-13 | 3又5/16"-12 | 1又1/2"-16 | 50 | |
| FY-RC-25T-158 | 25T | 158 | 275 | 85 | 57 | 58 | 1/2"-13 | 3又5/16"-12 | 1又1/2"-16 | 50 | |
| FY-RC-25T-210 | 25T | 210 | 325 | 85 | 57 | 58 | 1/2"-13 | 3又5/16"-12 | 1又1/2"-16 | 50 | |
| FY-RC-25T-260 | 25T | 260 | 375 | 85 | 57 | 58 | 1/2"-13 | 3又5/16"-12 | 1又1/2"-16 | 50 | |
| FY-RC-25T-311 | 25T | 311 | 427 | 85 | 57 | 58 | 1/2"-13 | 3又5/16"-12 | 1又1/2"-16 | 50 | |
| FY-RC-25T-360 | 25T | 360 | 475 | 82 | 56 | 55 | M12 | M82×2 | M36×2 | 50 | |
| FY-RC-25T-362 | 25T | 362 | 478 | 85 | 57 | 58 | 1/2"-13 | 3又5/16"-12 | 1又1/2"-16 | 50 | |
| FY-RC-30T-90 | 30T | 90 | 200 | 102 | 60 | 70 | 1/2"-13 | 4"-12 | 1又1/2"-16 | 50 | |
| FY-RC-30T-150 | 30T | 150 | 300 | 93 | 60 | 60 | M12 | ||||
| FY-RC-30T-210 | 30T | 210 | 387 | 102 | 60 | 70 | 1/2"-13 | 4"-12 | 1又1/2"-16 | 50 | |
| FY-RC-50T-51 | 50T | 51 | 176 | 127 | 80 | 95 | 1/2"-13 | 5"-12 | 71 | ||
| FY-RC-50T-101 | 50T | 101 | 227 | 127 | 80 | 95 | 1/2"-13 | 5"-12 | 71 | ||
| FY-RC-50t-159 | 50T | 159 | 282 | 127 | 80 | 95 | 1/2"-13 | 5"-12 | 65 | ||
| FY-RC-50T-337 | 50T | 337 | 423 | 127 | 80 | 95 | 1/2"-13 | 5"-12 | 65 | ||
| FY-RC-55T-105 | 55T | 105 | 235 | 135 | 80 | 110 | M10 | M135×3 | 80 | ||
| FY-RC-75T-156 | 75T | 156 | 285 | 146 | 95 | 5又3/4"-12 | 71 | ||||
| FY-RC-75T-334 | 75T | 334 | 493 | 146 | 95 | 5又3/4"-12 | 71 | ||||
| FY-RC-95T-168 | 95T | 168 | 357 | 177 | 105 | 139 | 3/4"-10 | 6又7/8"-12 | 71 | ||
| FY-RC-95T-260 | 95T | 260 | 449 | 177 | 105 | 139 | 3/4"-10 | 6又7/8"-12 | 71 | ||
| FY-RC-100T-100 | 100T | 100 | 184 | 165 | 90 | 76 | M8 | M165×2 | |||
單作用液壓千斤頂應用場合:
單作用液壓千斤頂可用于橋梁的頂升、鋼結構的支撐、機器的維修以及配套設備中使用。
雙作用液壓千斤頂
雙作用液壓千斤頂適用于高噸位的舉升作業,高要求精確控制物體升降及維修作業。在隧道管道水平推移安裝作業中,它的液壓復位設計能迅速而有效的將活塞縮回原來的位置,為推進下一根管子做好準備。
主要參數
- 承載能力
- 10~520T
- 工作行程
- 57~1219mm
- 本體高度
- 196~1644mm
雙作用液壓千斤頂特點:
- 雙作用設計,液壓復位;
- 內置式卸壓閥防止突發性的超壓;
- 可互換的硬處理溝槽為標準件配置;
- 高溫烤漆表面耐腐蝕和撞擊;
- 帶環槽的鞍座防止負載物滑動;
- 活塞桿鍍硬鉻,保證千斤頂的高使用壽命;
- 裝有防塵圈減少污染,延長液壓千斤頂使用壽命;
- 每臺雙作用千斤頂都有兩個標準的3/8"NPT接頭和防塵蓋。
雙作用液壓千斤頂技術參數:

| 型 號 | 承載 能力 |
工作 行程B |
本體 高度A |
油缸 外徑D |
活塞桿外徑F | 底部安裝孔 | 外環螺紋 | 活塞 | 工作 壓力 |
|
| 距離U | 螺紋 | 內螺紋 | ||||||||
| FY-RR-10T-200 | 10T | 200 | 355 | 75 | 35 | 2又1/4"-14 | 1"-8 | 70MPa | ||
| FY-RR-10T-254 | 10T | 254 | 409 | 73 | 35 | 2又1/4"-14 | 1"-8 | |||
| FY-RR-10T-305 | 10T | 305 | 457 | 73 | 35 | 2又1/4"-14 | 1"-8 | |||
| FY-RR-30T-209 | 30T | 209 | 387 | 101 | 55 | 3又5/16"-12 | 1又1/2"-16 | |||
| FY-RR-30T-368 | 30T | 368 | 550 | 101 | 55 | 3又5/16"-12 | 1又1/2"-16 | |||
| FY-RR-50T-156 | 50T | 156 | 331 | 130 | 65 | 5"-12 | 1"-12 | |||
| FY-RR-50T-200 | 50T | 200 | 350 | 130 | 65 | 5"-12 | 1"-12 | |||
| FY-RR-50T-334 | 50T | 334 | 510 | 130 | 75 | 5"-12 | 1"-12 | |||
| FY-RR-50T-511 | 50T | 511 | 733 | 127 | 80 | 76 | 1/2"-13 | 5"-12 | 1"-12 | |
| FY-RR-75T-156 | 75T | 156 | 347 | 146 | 95 | 5又3/4"-12 | 1"-12 | |||
| FY-RR-75T-200 | 75T | 200 | 391 | 146 | 95 | 5又3/4"-12 | 1"-12 | |||
| FY-RR-75T-334 | 75T | 334 | 525 | 146 | 95 | 5又3/4"-12 | 1"-12 | |||
| FY-RR-100T-168 | 100T | 168 | 358 | 175 | 95 | 140 | 3/4"-10 | 6又7/8"-12 | 1又3/4"-12 | |
| FY-RR-100T-334 | 100T | 334 | 524 | 175 | 95 | 140 | 3/4"-10 | 6又7/8"-12 | 1又3/4"-12 | |
| FY-RR-100T-450 | 100T | 450 | 680 | 185 | 95 | 140 | 3/4"-10 | 1又3/4"-12 | ||
| FY-RR-100T-461 | 100T | 461 | 687 | 185 | 95 | 140 | 3/4"-10 | 1又3/4"-12 | ||
| FY-RR-150T-57 | 150T | 57 | 196 | 203 | 115 | |||||
| FY-RR-150T-156 | 150T | 156 | 385 | 203 | 115 | 160 | 3/4"-16 | 8"-12 | 3又3/8"-16 | |
| FY-RR-150T-334 | 150T | 334 | 582 | 203 | 115 | 160 | 3/4"-16 | 8"-12 | 3又3/8"-16 | |
| FY-RR-150T-815 | 150T | 815 | 1116 | 203 | 115 | 3又3/8"-16 | ||||
| FY-RR-200T-152 | 200T | 152 | 430 | 247 | 130 | 130 | 1"-8 | |||
| FY-RR-200T-330 | 200T | 330 | 608 | 247 | 130 | 130 | 1"-8 | 9又3/4"-12 | 2又1/2"-12 | |
| FY-RR-200T-350 | 200T | 350 | 628 | 247 | 130 | 130 | 1"-8 | 9又3/4"-12 | 2又1/2"-12 | |
| FY-RR-200T-457 | 200T | 457 | 765 | 247 | 130 | 130 | 1"-8 | 9又3/4"-12 | 2又1/2"-12 | |
| FY-RR-200T-610 | 200T | 610 | 917 | 247 | 130 | 130 | 1"-8 | 9又3/4"-12 | 2又1/2"-12 | |
| FY-RR-200T-914 | 200T | 914 | 1222 | 247 | 130 | 130 | 1"-8 | 9又3/4"-12 | 2又1/2"-12 | |
| FY-RR-200T-1219 | 200T | 1219 | 1527 | 247 | 130 | 130 | 1"-8 | 9又3/4"-12 | 2又1/2"-12 | |
| FY-RR-325T-153 | 325T | 153 | 485 | 310 | 165 | 180 | 1又1/4"-7 | 12又1/4"-12 | 2又1/2"-12 | |
| FY-RR-325T-305 | 325T | 305 | 640 | 310 | 165 | 180 | 1又1/4"-7 | 12又1/4"-12 | 2又1/2"-12 | |
| FY-RR-325T-457 | 325T | 457 | 790 | 310 | 165 | 180 | 1又1/4"-7 | 12又1/4"-12 | 2又1/2"-12 | |
| FY-RR-325T-915 | 325T | 609 | 943 | 310 | 165 | 180 | 1又1/4"-7 | 12又1/4"-12 | 2又1/2"-12 | |
| FY-RR-325T-915 | 325T | 915 | 1247 | 310 | 165 | 180 | 1又1/4"-7 | 12又1/4"-12 | 2又1/2"-12 | |
| FY-RR-325T-1219 | 325T | 1219 | 1552 | 310 | 165 | 180 | 1又1/4"-7 | 12又1/4"-12 | 2又1/2"-12 | |
| FY-RR-440T-152 | 440T | 152 | 538 | 358 | 190 | 203 | 1又1/2"-6 | 14又1/8"-8 | 3"-12 | |
| FY-RR-440T-305 | 440T | 305 | 690 | 358 | 190 | 203 | 1又1/2"-6 | 14又1/8"-8 | 3"-12 | |
| FY-RR-440T-457 | 440T | 457 | 843 | 358 | 190 | 203 | 1又1/2"-6 | 14又1/8"-8 | 3"-12 | |
| FY-RR-440T-610 | 440T | 610 | 995 | 358 | 190 | 203 | 1又1/2"-6 | 14又1/8"-8 | 3"-12 | |
| FY-RR-440T-914 | 440T | 914 | 1300 | 358 | 190 | 203 | 1又1/2"-6 | 14又1/8"-8 | 3"-12 | |
| FY-RR-440T-1219 | 440T | 1219 | 1605 | 358 | 190 | 203 | 1又1/2"-6 | 14又1/8"-8 | 3"-12 | |
| FY-RR-520T-153 | 520T | 153 | 577 | 397 | 200 | 203 | 1又3/4"-5 | 15又5/8"-8 | 3又1/4"-12 | |
| FY-RR-520T-305 | 520T | 305 | 730 | 397 | 200 | 203 | 1又3/4"-5 | 15又5/8"-8 | 3又1/4"-12 | |
| FY-RR-520T-457 | 520T | 457 | 882 | 397 | 200 | 203 | 1又3/4"-5 | 15又5/8"-8 | 3又1/4"-12 | |
| FY-RR-520T-609 | 520T | 609 | 1035 | 397 | 200 | 203 | 1又3/4"-5 | 15又5/8"-8 | 3又1/4"-12 | |
| FY-RR-520T-915 | 520T | 915 | 1339 | 397 | 200 | 203 | 1又3/4"-5 | 15又5/8"-8 | 3又1/4"-12 | |
| FY-RR-520T-1219 | 520T | 1219 | 1644 | 397 | 200 | 203 | 1又3/4"-5 | 15又5/8"-8 | 3又1/4"-12 | |
雙作用液壓千斤頂應用場合:
雙作用液壓千斤頂可用于大型機械的維修頂升、橋梁的整體頂升、水電廠閘門的維修頂升、鋼結構的頂升以及配套設備的安裝等場合。









