便攜式PLC橋梁多點同步頂升系統——高壓
江蘇飛耀機械制造有限公司借鑒了國際同類產品的技術,融入了公司多年在液壓領域的經驗積累,成功開發了計算機控制泵組多點橋梁位移同步頂升系統。由于公司早前的液壓產品在公路、橋梁使用中的經驗,我們得到的結論是該產品非常適合我國公路橋梁的養護需求,填補了國內同類產品的空白。
系統的工作基礎
計算機控制橋梁整體多點位移同步頂升系統是為了解決橋梁上部結構在頂升、降落過程中難以進行同步位移操作的難題,將先進的數字監控傳輸、液壓傳動控制、計算機數字信號處理技術進行整合,將機械設備系統與傳統的橋梁結構分析和養護技術相結合,而研究開發出的一套對既有交通運營影響少、并能夠有效解決橋梁上部結構在頂升、降落過程中同步位移難題的高科技專用設備。該設備有效地避免了橋梁上部結構在頂升、降落過程中由于各支點豎向位移差的存在,引起的橋梁上部結構在橋梁縱、橫方向附加二次內力的出現,有效地消除了橋梁上部結構實際內力的變化,保證了橋梁上部結構的結構安全。
在計算機控制橋梁位移同步頂升系統中,系統對計算機采集到的位移傳感信號進行判別處理,通過專門編寫的計算機處理程序控制橋梁頂升的過程和步驟。然后利用雙向截止閥來控制流量,依靠調節雙向截止閥的開關頻率,來改變流量,達到使油泵的輸出的流量可調的目的,配以適當的電控和檢測反饋系統,組成壓力和位移閉環控制,就可以精確控制各千斤頂在升降時同步和稱重過程中負載均衡。
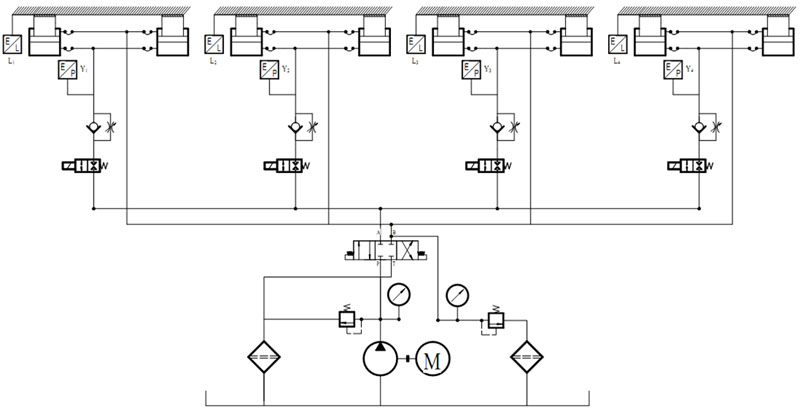
根據系統功能要求,液壓系統控制閥組由電磁換向閥、溢流閥、電磁雙向截止閥,可調精密節流閥和單向閥等組成。使用高壓油泵提供壓力,通過高壓油管頂升閥組與油泵相連,終端使用千斤頂作為液壓作業單元完成系統的頂升作業。位移信號采集設備使用拉線式位移傳感器,以便于現場安裝。系統能夠進行簡單的連接具有無限的擴展能力。
系統控制的構成情況
計算機控制橋梁整體頂升系統包括一臺中央控制系統,一臺高壓油泵和若干臺閥組。標準配置下,一臺中央控制系統可以同時控制二臺閥組,控制8路通道。多臺泵組通過PROFIBUS-DP現場總線進行擴充,并最終由單臺電腦提供人機界面,對所有的頂升點進行監視與控制。電子控制系統是實現同步動作的關鍵。它是基于閉環控制系統理論,將重物移動的位移信號作為受控參數,重物在液壓千斤頂受力腔內產生的壓強信號作為參考量。通過傳感器采集這些信號,將這些信號傳輸至控制器。控制器接受并處理這些信號。控制器比較運算這些同類信號并和輸入的允差值進行比較,當發現某一受控點有超差的可能時,控制器發出信號,讓該點的電磁閥關閉,從而限定該點的液壓千斤頂上升或下降動作。同樣當信號反饋指出該已停止點有滯后現象時,控制器發出信號,讓該點的電磁閥打開,讓該點的液壓千斤頂恢復上升或下降的動作。通過各受控點間的這些經過精確控制的動作,整個同步控制系統達到一種運動中的同步目的。
當某一受控點的誤差不能被控制器修復,控制器將發出系統錯誤警報,并發出信號,讓各受控點的停止動作,關閉液壓油泵,從而使各受控點的液壓千斤頂停止動作。直到該錯誤被修復,并得到操作者重新工作的指令,系統才恢復工作。
系統的技術特點
- 以位移控制為主,壓力參數控制為輔;
- 多點同步位移誤差≤±0.5mm;
- 利用拉線式傳感器監控位移變化,自動反饋到控制系統進行動作調整。拉線式位移傳感器的分辨率:0.004mm,完全滿足土木工程高精度度的要求;
- 位移傳感器與千斤頂分體安裝,避免了頂升作業中由于千斤頂基礎的變位導致位移量的誤判;
- 在誤差超限時自動報警并停止;
- 可以分別對每個作業點的工作壓力和位移進行單獨設定、操作和監控;
- 可以支持單作用千斤頂或雙作用千斤頂;
- 每套控制系統可以控制8個作用點,并通過PROFIBUS-DP現場總線進行擴展為128、256個乃至無限多;
- 控制系統PROFIBUS-DP現場總線,利用中繼器互聯,最長可以超過10公里,可以完成長距離大跨度連續梁的多橋墩的同步頂升;
- 在落梁過程中系統可以保持與頂升過程同樣的控制精度;
- 采用電控系統和液壓系統分體式結構,現場安裝和搬運方便。
系統的適用范圍
- 大跨徑、多橋孔連續箱梁橋大噸位橋梁支座的更換。大跨徑連續箱梁及其他類型橋梁結構由于橋下凈空提升所引起的上部結構整體抬升;
- 橋梁上部結構為帶有橫向聯系構造的各類梁式橋的支座更換和維修,以及因橋下凈空或橋頭接順需要而進行的橋梁上部結構整體抬升;
- 由于施工工藝需要帶來的大型結構物整體豎向落架工作;
- 對大型現澆混凝土結構的澆筑支撐結構進行基礎沉降豎向位移補償;
- 其他需要精確同步位移作業的適用場合。
PLC多點同步頂升液壓系統——主要技術參數:
工作壓力:70MPa
泵站工作電壓:380V/50Hz
主控箱電源工作電壓:220V/50Hz
單泵額定功率:0.75KW、2.2KW、5.5KW
拉線式位移傳感器:輸入DC24V 量程0-500mm 分辨率:0.004mm
壓力傳感器:輸入DC24V 輸出4-20mA 量程-70MPa
同步控制精度:≤±0.5mm
系統組成
![]() |
![]() |
![]() |
| 液壓泵站:為頂升提供動力的單元,一臺泵站可以帶二套閥組。 | 控制閥組:由電磁雙向截止閥,可調精密節流閥,單向閥,快速接頭,壓力傳感器等組成。為千斤頂的同步控制的液壓原件。 | 中央控制系統:由觸摸屏,西門子PLC,按鈕開關,航空插頭等組成。標準配置下,一臺中央控制系統可以同時控制二套閥組,控制8路通道。 |
![]() |
![]() |
|
| 數據線:閥組上的壓力傳感器,電磁閥,位移傳感器等信號通過該線傳輸到中央控制器里。一組閥組配一根數據線通用長度為30米。 | 泵站控制線:泵站上的電磁換向閥,電機啟停控制通過該線連接到中央控制器。一臺泵站配一根控制線通用長度為30米。 |
便攜式PLC橋梁多點同步頂升系統——低壓
本系統利用液壓驅動、壓力和位移閉環自動控制的方式,實現多點控制,廣泛應用于高速公路橋梁維修更換橡膠支座及立交橋抬高、內河橋抬高、設備頂升、糾偏等。
系統組成及主要原理
本系統是由1臺高壓泵站、控制閥組、液壓油缸、位移檢測裝置、壓力檢測裝置和1套電器控制系統組成。
本系統中液壓泵站利用開關閥來控制流量,依靠調節開關閥的開關頻率來改變流量,達到使油泵的輸出流量連續可調的目的,配以適當的電控裝置,組成壓力和位移閉環控制,就可以精確控制各千斤頂在升降時同步和稱重過程中的負載均衡。
由于工件底面不一定平整,為了保證多頂負荷一致,在同步頂升之前,首先要讓多頂均勻接觸工件,并以多頂均勻接觸工件的這一點作為多點同步運行的基準,為此,系統中設置一個貼合功能。設置貼合壓力,當系統壓力達到貼合壓力值時,系統工作自動停止。
結構簡述
本系統中的液壓泵站采用柱塞泵,泵站上安裝有雙向截止閥,同時雙向截止閥可以無泄漏的鎖住千斤頂,在意外停電時能保證千斤頂不會自由滑落,使得千斤頂所承受負載不會處于失控狀態。系統中還安裝有壓力變送器和位移傳感器,當千斤頂移動時,壓力檢測裝置就可以實時監控負載重量;同時位移檢測裝置可以測定千斤頂的實時頂升高度。
本電氣控制系統的特點是控制器主要由西門子PLC組成,各千斤頂的壓力傳感器和位移傳感器將各自信號送至PLC中進行監控,根據主控臺發來的操作指令,驅動閥組,輸出壓力油使相應的千斤頂運動。PLC根據檢測到的壓力值和位移值,不斷修正位移誤差,保持各頂負載同步均衡。
技術參數:
位移同步精度≤±0.5mm
工作電壓:AC380V/50Hz(三相五線制)
系統最高壓力:350bar
操作方式:按鈕操作及觸摸屏操作
控制模式:脈寬調制控制
操作界面:人機界面
控制點位:單機4點同步
支持網絡通訊點位擴展

液壓原理圖












